技術規范
調試維修
聯系方式
- 聯系人:郭經理
- 傳真:010-69552656
- 電話:400-0346-119
- 電話:010-57113119
- 郵箱:506665119@qq.com
- 地址:北京通州區新華北路117
JBF-137D中繼模塊 北大青鳥
文章來自:北大青鳥主機維修 發布時間:2014-04-26 06:04:32
一、JBF-137D中繼模塊的特點
1、內置微處理器CPU;
2、采用SMT表面貼裝工藝;
3、穩定性高,抗干擾有力強;
4、它是用來連接各類非編址探測器專用輸入模塊;
5、通過專用電子編碼器編址,編址范圍1-200;
6、四總線通訊方式,其中信號總線無極性,電源線有極性。功耗低,模塊到控制器*遠傳輸距離1500m。導線截面積為1.0-1.5mm2,對導線無特殊要求
7、施工簡便、費用低廉;
8、插拔式結構,可像安裝探測器一樣無將底座安裝在墻上,布線后工程調試前再將輸入模塊插入底座。便于施工、維護。
二、JBF-137D中繼模塊的技術指標
1、工作電壓:DC 19-24V 控制器提供,調制型
2、工作溫度:-10…+50℃
3、貯存溫度:-20…+50℃
4、相對濕度:≤95%(40±2℃)
5、監視電流:≤0.3mA(24V)
6、報警電流:≤3mA(24V)
7、確認燈:監視狀態瞬時微亮,報警常亮(紅色)
8、外形尺寸:120mm 長× 82mm 寬× 44mm 高
9、線 制:信號線二總線,無極性,電源二總線有極性
10、接非編址探測器:每只模塊分別可接LN2110/C≤25只;非編碼普通紫外探測器1只;非編址線型紅外光束感煙探測器1只;
三、JBF-137D中繼模塊的安裝與接線
JBF-137D多功能輸入編碼接口模塊采用明裝方式,步驟如下:
1、在安裝位置將模塊盒固定(使用 M4 螺釘),安裝孔距為 65mm;
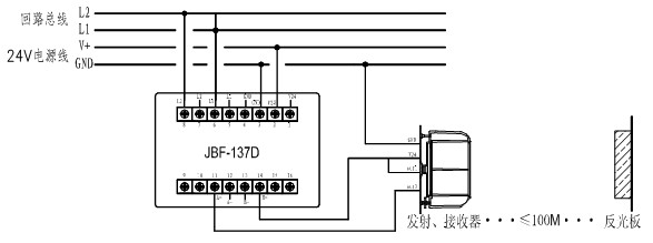
2、將端子 5(6)、7(8)接在控制器總線 L1、L2 上。1(2)接 24V電源正、3(4)接 24V 電源負;
3、探測總線采用 ZR-RVS-2×1.0-1.5mm2雙絞線;
4、使用專用的編碼器設定地址碼(1-200);
5、將所監視非編址感溫探測器串連在模塊11 、14 端子上,并且必須在*后一個非編址探測器的1和4 端加4.7KΩ 終端電阻。
6、接線端子示意:

7、JBF-137D中繼模塊與非編址感溫探測器JBF-3110/C 連接示意圖:

8、JBF-137D中繼模塊與 JTY-H-VDC1382A線型光束感煙探測器連接示意圖:

