技術規范
調試維修
聯系方式
- 聯系人:郭經理
- 傳真:010-69552656
- 電話:400-0346-119
- 電話:010-57113119
- 郵箱:506665119@qq.com
- 地址:北京通州區新華北路117
北大青鳥J-SAP-M-JBF-101F-N編碼型手動報警按鈕安裝與接線
文章來自:北大青鳥主機維修 發布時間:2017-12-04 01:12:17
安裝與接線
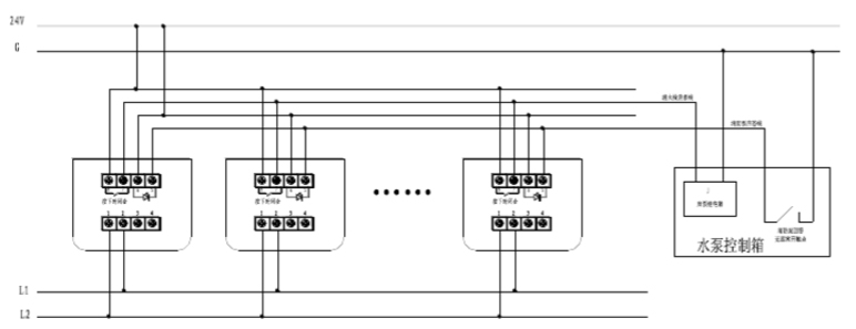
手動報警按鈕占用一個回路地址。具備消火栓按鈕的功能,啟泵和接收水泵應 答。
探測總線L1 、L2連接在端子1和端子2上。
端子7、8正常時為常開觸點,手動報警按鈕按下時閉合,可用來控制現場聲 光報警裝置,需另接24V電源。嚴禁使用此觸點控制大功率設備和強電設備。
使用專用的編碼器來設定地址碼。 用于消火栓報警按鈕接線圖例:

端子1和2分別接二總線L1和L2;
端子7、8正常時為常開觸點,手動報警按鈕按下時閉合,作為遠程啟動消防泵的控制 按鈕。
端子6、5分別接24V電源的正、消防泵的回答地,點亮啟泵回答燈。注意極性不得反 接。
